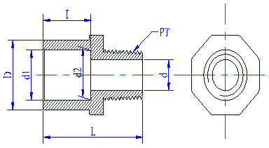
外牙 (SxT)
公稱尺寸 | 外徑 | 承插口類型 | 承插口尺寸 | ||||||
D | d1 | d2 | I | d | L | PT/inch | |||
min | max | min | max | ||||||
DN15 | 30.0 | 19 | 19.5 | 18.8 | 19.3 | 24.00 | 11 | 50 | 14 |
DN20 | 35.0 | 23.8 | 24.4 | 23.5 | 24.1 | 27.00 | 16 | 50.5 | 14 |
DN25 | 44.0 | 30.7 | 31.3 | 30.4 | 31 | 30.00 | 21 | 59 | 11 |
DN32 | 54.0 | 38.7 | 39.3 | 38.3 | 38.9 | 34.00 | 28.5 | 63.4 | 11 |
DN40 | 60.0 | 48.7 | 49.3 | 48.3 | 48.9 | 37.00 | 34 | 67 | 11 |
DN50 | 75.0 | 61.6 | 62.2 | 61.1 | 61.7 | 41.00 | 46 | 77 | 11 |